Сборка шкафов управления
Наличие собственной, полностью оснащенной производственной площадки позволяет осуществлять проекты различной сложности «под ключ».
Поможем подобрать нужный шкаф прямо во время разговорра
Наличие собственной, полностью оснащенной производственной площадки позволяет осуществлять проекты различной сложности «под ключ».

Компания «Атрибут» предоставляет услуги по сборке шкафов управления различных типов:
  • шкафы автоматики ИТП, ЦТП;
  • шкафы управления насосами (повысительными, сетевыми, дренажными, пожарными);
  • шкафы для приточно-вытяжной вентиляции;
  • шкафы телеметрии;
  • шкафы по индивидуальному техзаданию.

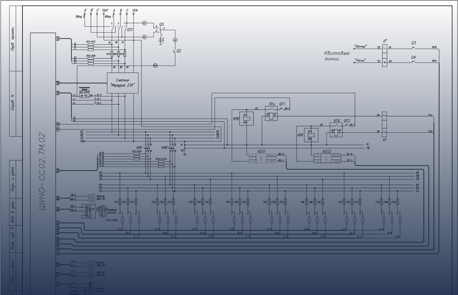
Процесс сборки включает в себя разработку конструкторской документации, подбор необходимых комплектующих, монтаж компонентов в надежные металлические корпусы. Контроллеры в шкафах управления используются как для локального управления, так и для удаленного доступа SCADA.

Готовое изделие проходит тестирование в цехе под нагрузкой, осуществляется проверка контроллеров на корректность отработки логики управления оборудованием. Шкафы упаковываются в защитную оболочку. Наши изделия поставляются полностью готовыми к эксплуатации, также клиенту предоставляются паспорта, схемы электрические принципиальные, схемы внешних подключений шкафа, руководства по настройке и эксплуатации. Готовая продукция поставляется по всей территории Российской Федерации с отгрузкой через транспортные компании.

Сотрудники компании имеют высокую квалификацию и большой опыт выполнения работ различного уровня сложности. Работы проводятся в соответствии с принятыми нормами и стандартами, требованиями проектной документации, инструкциями и технологическими регламентами.

Стоимость сборки шкафов управления рассчитывается с учетом степени сложности инженерного проекта.
Получите предложение
по срокам
и стоимости работ
Преимущества сотрудничества с нашей компанией:
Высокое качество монтажа
[01]
Большой склад комплектующих
[02]
Разумные цены
[03]
Минимальные сроки выполнения работ
[04]
Выходной контроль готовой продукции
[05]
Гарантийное и пост гарантийное обслуживание
[06]